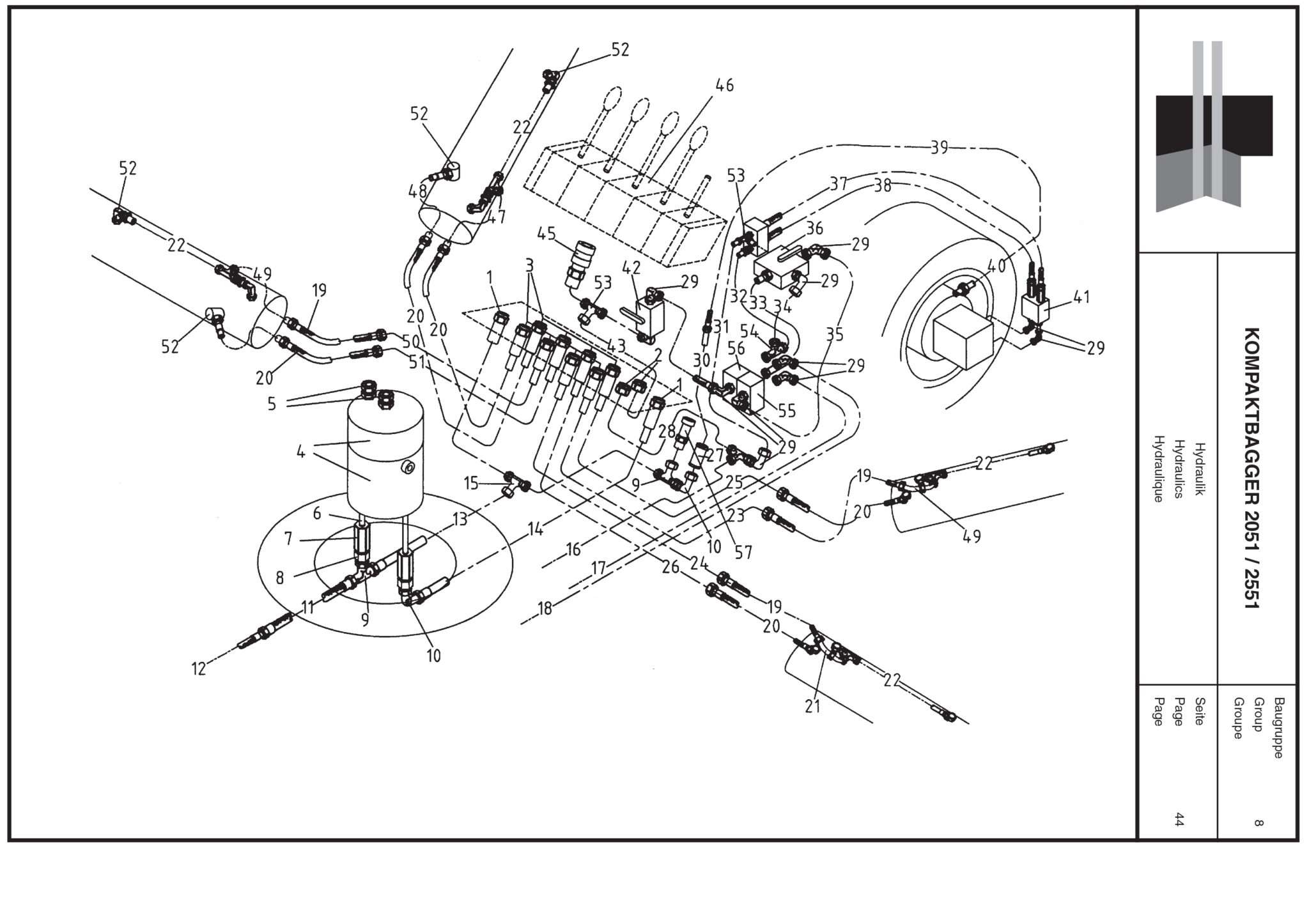
Vue éclatée pour la pelle araignée Boki 2051/2551 Tous numéros :
Hydraulique 2
Pourquoi choisir ChronoTP Pièces ?
Appuyez vous sur un partenaire de confiance qui réunit pièces détachées, expertise technique et pour sécuriser vos chantiers, dans le Grand Est et partout en France.
Qualité & fiabilité
Pièces d’origine ou adaptables sélectionnées pour matériel TP (Bobcat, Takeuchi, Boki). Notre catalogue (vues éclatées, notices, plans techniques) garantit la compatibilité de la pièce avec votre machine et réduit les temps d’immobilisation.
Parlez à un expert
Un technicien TP identifie avec vous la bonne référence à partir de la marque, du modèle et du numéro de série. Conseils sur les alternatives (origine / adaptable), kits filtres, consommables, et bonnes pratiques de montage pour sécuriser votre intervention.
+ de 200 000 références
Couverture multi-marques (Bobcat, Takeuchi, Boki…) et toutes familles : kits filtres, chenilles, courroies, électricité, hydraulique, consommables. Equivalences OEM et alternatives origine/adaptable validées pour optimiser coût et délai de remise en service.
